Pöl - Tec

Biokraftstoffe & Alternative Energie - Pflanzenöl Umrüsten / Tankstellen



<< Letze Seite    Inhltsverzeichnis    Nächste Seite >>

Abgasnachbehandlung bei RME (Biodiesel)-Betrieb

Bei einem diskontinuierlich arbeitenden System wird der Partikelfilter erst bei Erreichen einer gewissen Partikelbeladung regeneriert. Betrachtet man einen stationaeren Betriebspunkt, so steigt die Druckdifferenz über dem Filter wärend der Beladungsphase kontinuierlich an.
Nach Beginn der Nacheinspritzung steigt die Abgastemperatur vor dem Partikelfilter innerhalb weniger Minuten auf ca. 500 °C an. Die einsetzende Russoxidation wird durch das starke Absinken der Druckdifferenz über dem Partikelfilter sowie durch Temperaturanstieg am Filteraustritt signalisiert. Nach wenigen Minuten ist die Regeneration abgeschlossen, und die Nacheinspritzung wird abgeschaltet.
Die Abgasnachbehandlungsanlage für ein solches kraftstoffadditivunterstuetztes, diskontinuierliches Regenerationskonzept mit elektrischer Heizung zeigt die Abb. 3.

Additivunterstütztes, diskontinuierliches Filtersystem
Abb. 3: Additivunterstuetztes, diskontinuierliches Filtersystem [1]

Der dem Partikelfilter vorgeschaltete Oxidationskatalysator dient bei diesem Konzept zur Bildung von Exothermie durch Konvertierung der im Abgas mittels Nacheinspritzung angereicherten Kohlenwasserstoffe. Um der zunehmenden Kaltstart-CO-Problematik bei Dieselfahrzeugen Rechnung zu tragen, ist ein kleiner motornaher Oxidationskatalysator vorgesehen [1].
Um die Regeneration auch in dem Kennfeldbereich niedriger Drehzahlen und geringer Lasten zu gewaehrleisten, in dem die motorischen Massnahmen für das erforderliche Temperaturniveau zur diskontinuierlichen Regeneration nicht ausreichen, ist zusaetzlich die elektrische Beheizung des Abgases vorgesehen.

Versuchsaufbau Versuchsmotor

Als Versuchsmotor diente ein Dieselmotor der Volkswagen AG, Motor-Nr.: 038A/01157, 4- Zylinder-Reihenmotor, 1,9 l TDI mit Pumpe-Düse-Einspritzung (PDE)

Hersteller : Volkswagen AG
Nennleistung : 85 kW bei 4000 min-1
Max. Drehmoment : 285 Nm bei 1900 min-1
Hub/Bohrung : 95,5 mm/ 79,5 mm
Verdichtungsverhältnis : 18 : 1
Motormanagement : Bosch EDC 15

Abgasnachbehandlungsanlage

Die Volkswagen AG hat für die Untersuchungen:
- den motornah einzubauenden Oxidationskatalysator (Nr.: D-045B) und
- den Partikelfilter (Nr.: 01002076) mit installierten Differenzdruckmessstellen und den im gemeinsamen Gehaeuse stromab vorgeschalteten Oxidationskatalysator (Nr.: RAC 10307) bereitgestellt.
Die massliche Anordnung erfolgte in den von der Volkswagen AG vorgegebenen Grenzen mit dem Ziel, die Abgasanlage den realen Einbauverhaeltnissen im PKW vergleichbar zu gestalten.
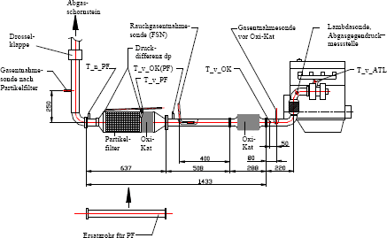
Die zur Verfuegung gestellte Anlage stellt ein diskontinuierlich arbeitendes System mit Kraftstoffadditivunterstuetzung dar, d. h. die Regeneration des beladenen Filters erfolgt diskontinuierlich. Sie wird durch motorische Massnahmen, die die Abgastemperatur mittels„später“ Nacheinspritzung sowie veraenderter Abgasrueckfuehrrate und reduzierter Verbrennungsluftmasse drehmomentneutral erhoehen, bewirkt. Der dem Motorkraftstoff zugemischte Additivanteil von 0,357 ml/Liter Kraftstoff wirkt als Oxidationsbeschleuniger und erzeugt eine Absenkung der Russoxidationstemperatur. Als Additiv wurde „satacen 2“ (Wirkstoff Fe) verwendet. Die vollstaendige Abgasnachbehandlungsanlage und die ebenfalls mit der Volkswagen AG abgestimmte Anzahl und Anordnung von Temperatur- und Druckmessstellen sowie der Lambda- und der Gasentnahmesonden sind in der Abb. 4 dargestellt.

Abgasnachbehandlungsanlage mit Messstellenanordnung
Abb. 4: Abgasnachbehandlungsanlage mit Messstellenanordnung

<< Letze Seite    Inhltsverzeichnis    Nächste Seite >>

 

Buffer

Pöl-Tec Die Pflanzenöl und Autogas - Auto Informationsseite Stand: Partner von: AfricaExpedition Motorradreiseforum Tags24 Texte oder Teile davon aus Wikipedia Ihr Inhalt steht unter der GNU-Lizenz für freie Dokumentation. Pflanzenöl & Biokraftstoffe - Alternative Energie - Biokraftstoffe & Alternative Energie - Pflanzenöl Bioethanol Auto Technik und Tankstellen.